Содержание
Arduino Uno:— платформа для разработки на базе микроконтроллера ATmega328P
Основные узлы платы
Распиновка Arduino Uno
Основой платформы Arduino Uno это 8-битный микроконтроллер семейства AVR — ATmega328P это по сути самый главный элемент платы.
Характеристики Arduino Uno
- Микроконтроллер: ATmega328
- Тактовая частота: 16 МГц
- Напряжение логических уровней: 5 В
- Входное напряжение питания: 7–12 В
- Портов ввода-вывода общего назначения: 20
- Максимальный ток с пина ввода-вывода: 40 мА
- Максимальный выходной ток пина 3.3V: 50 мА
- Максимальный выходной ток пина 5V: 800 мА
- Портов с поддержкой ШИМ: 6
- Портов, подключённых к АЦП: 6
- Разрядность АЦП: 10 бит
- Flash-память: 32 КБ
- EEPROM-память: 1 КБ
- Оперативная память: 2 КБ
- Габариты: 69×53 мм
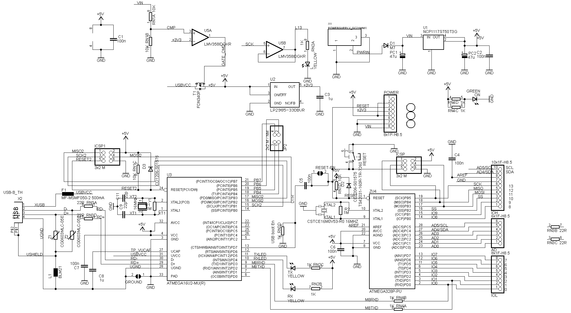
Принципиальная схема Arduino Uno
Скачать исходники
Похожие записи
На Arduino можно довольно интересный проект начального уровня - цифровые игральные кости. При помощи которых можно генерировать случайное число от 1 до 6. ...
Системы заземления, используемые для выполнения заземления. Среди критериев, способствующих обеспечению защиты от такого процесса, как поражение электричеством, особого внимания...
В Европе для маркировки кабеля используются свои стандарты и нормативные документы. Чтобы расшифровать маркировку импортного кабеля, необходимо знать, что обозначает конкретная...
Сервопривод (servo) - устройство с электрическим мотором, которому можно задать определенный угол поворота и зафиксировать в определенном положении. Подключение сервопривода к Arduino очень...
Представленная схема полицейской мигалки на микроконтроллере и светодиодах может работать в 16 различных режимах. Режим выбирается при помощи одной кнопки, и собрана на микроконтроллере...
Функция setup() вызывается первой когда запускается скетч. Эта функция необходима для инициализации переменных, настройки режимов работы портов (выводов), для старта каких либо функций...


